- Única parede de calor Tubos
- Parede dupla de calor Tubos
- Medium & Heavy Wall Tubing
- Termoencolhíveis Tubulação
- Mangas de identificação
- WO-80500BK (N85) fita
- WO Rotular tubagem termorretráctil para impressão
- RSFR-M manga termorretracção marcador
- HNF-M manga marcador termorretracção
- HMS-M manga termorretracção marcador
- Etiquetas de identificação
- DIN-M manga termorretracção marcador
- AMS-M manga marcador termorretracção
- Conectores separáveis Accessorie
- Conectores separáveis
- Materiais resistentes ao fogo de cerâmica
- A frio encolher acessórios cabo
- Calor encolher acessórios cabo
- Fria aplicado acessórios para cabos
- Cabos e fios
- Outros Produtos
Tel: +86 755-28299160
Fax: +86 755-28299160
Email: woer@woer.cn (Prioridade) woer@twingle.cn
Msn: woer@twingle.cn
Skype: woer1998
AMS-M manga marcador termorretracção
Descrição:
Características
| Material |
A manga deve ser fabricado a partir irradiado composto de poliolefinas, termicamente estabilizado e chama retardada modificado |
|
faixa de aplicação |
Indústria militar; Aeroespacial e defesa, marinha; |
|
Faixa de temperatura operacional |
-55 --- + 135 ℃ |
|
Temperatura mínima de recuperação |
+85℃ |
|
temperatura máxima de armazenamento |
+ 50 ℃ |
|
Taxa de encolhimento |
2: 1, 3: 1 |
|
Cor |
Branco, Amarelo, a outra cor está disponível se requisitado |
|
modo de impressão |
Impressão de um único lado e impressão frente e verso formatos disponíveis |
|
modo fornecido |
Qualquer tipo tipo de formato contínua ou Ladder está disponível |
|
Impressoras recomendadas |
De qualquer impressora de impressora de transferência ou laser térmico é OK. |
|
Fitas recomendadas |
Fita de resina WO-80500BK, Preto, 100 milímetros (largura) * 300m (comprimento) |
|
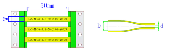
Dimensões do produto |
|||||
|
Taxa de encolhimento-2X |
|||||
|
Número da peça |
Como Fornecido (mm) |
Após a recuperação (mm) |
|||
|
ID(D) |
Achatar largura (w) |
Double Wall Espessura |
ID(D) |
Espessura de parede única |
|
|
AMS-M-2X-1.6-50-2.5K-Y0P0O |
2.00±0.20 |
3.7±0.3 |
0.48±0.10 |
≤0.79 |
0.45±0.06 |
|
AMS-M-2X-2.4-50-2.5K-Y0P0O |
2.79±0.20 |
5.0±0.3 |
0.48±0.10 |
≤1.18 |
0.49±0.06 |
|
AMS-M-2X-3.2-50-2.0K-Y0P0O |
3.64±0.23 |
6.3±0.4 |
0.48±0.10 |
≤1.59 |
0.51±0.06 |
|
AMS-M-2X-4.8-50-2.0K-Y0P0O |
5.26±0.25 |
8.9±0.4 |
0.49±0.10 |
≤2.36 |
0.54±0.06 |
|
AMS-M-2X-6.4-50-1.5K-Y0P0O |
6.92±0.28 |
11.5±0.4 |
0.50±0.10 |
≤3.18 |
0.56±0.06 |
|
AMS-M-2X-9.5-50-1.0K-Y0P0O |
10.2±0.32 |
16.7±0.5 |
0.51±0.11 |
≤4.75 |
0.59±0.06 |
|
AMS-M-2X-12.7-50-1.0K-Y0P0O |
13.5±0.36 |
21.8±0.6 |
0.52±0.11 |
≤6.35 |
0.60±0.07 |
|
AMS-M-2X-19-50-0.5K-Y0P0O |
20.1±0.40 |
32.2±0.6 |
0.53±0.11 |
≤9.53 |
0.62±0.07 |
|
AMS-M-2X-25-50-0.5K-Y0P0O |
26.7±0.45 |
42.5±0.7 |
0.55±0.12 |
≤12.7 |
0.63±0.07 |
|
AMS-M-2X-38-50-0.5K-Y0P0O- |
39.8±0.51 |
63.2±0.8 |
0.57±0.12 |
≤19.1 |
0.64±0.07 |
|
AMS-M-2X-51-50-0.25K-Y0P0O |
53.0±0.56 |
83.9±0.9 |
0.58±0.13 |
≤25.4 |
0.64±0.08 |
|
AMS-M-2X-76-50-0.25K-Y0P0O |
79.4±0.56 |
125.3±1.0 |
0.59±0.13 |
≤38.1 |
0.64±0.09 |
|
Taxa de encolhimento-3X |
|||||
|
Número da peça |
Como Fornecido (mm) |
Após a recuperação (mm) |
|||
|
ID(D) |
Achatar largura (w) |
Double Wall Espessura |
ID(D) |
Espessura de parede única |
|
|
AMS-M-3X-1.6-50-2.5K-Y0P0O |
2.00±0.20 |
3.7±0.3 |
0.47±0.10 |
≤0.53 |
0.52±0.06 |
|
AMS-M-3X-2.4-50-2.5K-Y0P0O |
2.79±0.20 |
5.0±0.3 |
0.47±0.10 |
≤0.79 |
0.57±0.06 |
|
AMS-M-3X-3.2-50-2.0K-Y0P0O |
3.64±0.23 |
6.3±0.4 |
0.48±0.10 |
≤1.06 |
0.61±0.06 |
|
AMS-M-3X-4.8-50-2.0K-Y0P0O |
5.26±0.25 |
8.9±0.4 |
0.49±0.10 |
≤1.59 |
0.67±0.06 |
|
AMS-M-3X-6.4-50-1.5K-Y0P0O |
6.92±0.28 |
11.5±0.4 |
0.50±0.10 |
≤2.36 |
0.71±0.06 |
|
AMS-M-3X-9.5-50-1.0K-Y0P0O |
10.2±0.32 |
16.7±0.5 |
0.52±0.11 |
≤3.18 |
0.77±0.06 |
|
AMS-M-3X-12.7-50-1.0K-Y0P0O |
13.5±0.36 |
21.8±0.6 |
0.53±0.11 |
≤4.75 |
0.80±0.07 |
|
AMS-M-3X-19-50-0.5K-Y0P0O |
20.1±0.40 |
32.2±0.6 |
0.55±0.11 |
≤6.35 |
0.84±0.07 |
|
AMS-M-3X-25-50-0.5K-Y0P0O |
26.7±0.45 |
42.5±0.7 |
0.56±0.12 |
≤8.47 |
0.86±0.07 |
|
AMS-M-3X-38-50-0. 5K-Y0P0O |
39.8±0.51 |
63.2±0.8 |
0.57±0.12 |
≤12.9 |
0.89±0.07 |
|
AMS-M-3X-51-50-0.25K-Y0P0O |
53.0±0.56 |
83.9±0.9 |
0.57±0.13 |
≤17.2 |
0.90±0.08 |
|
AMS-M-3X-76-50-0.25K-Y0P0O |
79.4±0.56 |
125.3±1.0 |
0.57±0.13 |
≤25.8 |
0.92±0.09 |
|
A informação de pacote |
|||
|
Ordenação Size (RSFR-M-2X / 3X) |
Escada Tipo de formato |
Tipo contínua |
|
|
A & B-pequena caixa de embalagem (PCS / Box) |
A-Paper carretel de embalagem (m / reel) |
B-carretel plástico de embalagem (m / reel) |
|
|
Φ1.6 |
2500 |
50 |
25 |
|
Φ2.4 |
2500 |
50 |
25 |
|
Φ3.2 |
2000 |
100 |
25 |
|
Φ4.8 |
2000 |
100 |
25 |
|
Φ6.4 |
2000 |
100 |
25 |
|
Φ9.5 |
1000 |
100 |
25 |
|
Φ12.7 |
1000 |
100 |
25 |
|
Φ19 |
500 |
100 |
25 |
|
Φ25 |
500 |
100 |
25 |
|
Φ38 |
500 |
50 |
25 |
|
Φ51 |
250 |
50 |
25 |
|
Φ76 |
250 |
50 |
— |
Parte Sistema de Numeração
|
Código de cores |
BL |
Br |
R |
Or |
Y |
G |
Blu |
V |
Gr |
W |
|
Cor |
Preto |
Castanho |
Vermelho |
laranja |
Amarelo |
Verde |
Azul |
Violeta |
Cinzento |
Branco |
Nota: Amarelo e branco são padrão, a outra cor está disponível, se solicitado.

Español
Français
Deutsch
Português
English
中文